简介
我们的舵机大家族又迎来了一位新成员,一款9g 180°金属带模拟值反馈舵机上线了,内置金属轴承,比塑料舵机更耐用。具有旋转角度大、易于安装、扭矩大、运行稳定和运行角度精确的特点,这将是你微型机器人的最好选择,非常适合专业人士及创客爱好者用于开发和科研。
只有和一枚硬币大小相当的体积,让你可以随意的把它安置到任何微小空间里;最大扭矩可达1.5Kg·cm,舵机内部没有限位,可以360°旋转(仅限于手动旋转),不会存在卡死问题,同时舵机的功率极小,用普通的电池或者USB供电,就能使其流畅运作。该款舵机调用Arduino IDE上自带的舵机库就能实现对舵机的控制,在500-2500μsec的脉冲范围内可达到最大约180°的转动角度。还提供了一个模拟值(0~3.3V)信号反馈,可连接单片机计算出当前角度,配合做闭环反馈控制。

注:横轴为Arduino IDE输入角度(自带舵机库0-180度)
纵轴为Arduino IDE串口模拟值反馈读数
该舵机还配备了十字,一字,半条型,条型四种不同形状的舵片搭配舵机使用,保证舵机能应用在多种环境中。
注意:推荐工作电压为4.8V-6V,故意堵转或者过压会导致舵机永久性损坏。
接口说明:
红线-----正极
黑线-----负极
棕线-----反馈线
白线-----信号线

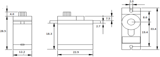
外观尺寸图
技术规格
- 脉冲宽度范围: 500-2500μsec
- 中立位置:1500μsec
- 脉冲讯号虚位:≤ 5 μsec
- 操作电压:4.8V~6V
- 保存温度:-20℃~60℃
- 操作温度:-10℃~50℃
- 操作角度:180°± 5°(在 500→2500 μsec)
- 极限角度:220°± 10°
- 空载转速:0.12±0.01 sec/60@4.8V
- 0.1±0.01 sec/60@6.0V
- 停止扭矩:1.3±0.1kg·cm @4.8V
1.5±0.1kg·cm @6.0V
- 静态电流:≦40±5mA
- 空载电流:200±20mA @4.8V
220±20mA @6.0V
≦1100±30mA@6.0V
- 可动作角度范围:大约180°(在500→2500 μsec)
- 两边角度差:≤ 3°
- 回中差:≤ 1°
- 控制系统:改变脉冲宽度
- 放大器种类:数字控制器
- 旋转方向:顺时针
- 外观尺寸:22.9mm*12.2mm*32.5mm
- 重量:12±1g
配送清单
- 9g 180度金属带模拟值反馈舵机(1.5kg) x1